The speed input range of the Advance GWC45.49 marine gearbox is 400-1600 RPM, with engine input power from 559.2 kW to 6784 kW. the reduction ratio range is 1.97-5.98 the transmission capacity range is 1.398-4.24 kW/RPM, the rated propeller thrust is 270 KN, and the input shaft is in the train Opposite to the output shaft.
Advance GWC45.49 marine gearbox is composed of transmission shaft, output coupling, input coupling, oil pressure gauge, oil Filter, control system, oil pump and other important components.
Advance GWC45.49 marine gearboxes provides two types of control system which are electric control and pneumatic control for customers to choose. To meet the different requirement of coupling with different engine brand and models, Advance GWC45.49 marine gearboxes available in engine flywheel sizes.
All of our Advance GWC series marine gearbox can provide CCS classification certificate, some of series can provide international classifications with extra costs which mainly including French BV, British LR, American ABS, Japanese NK , Norway DNV-GL, Russia RS, South Korea KR, Italy RINA and other classification societies.
Advantages of GWC45.49 Marine Gearbox Parts
Gearbox novel structure, so that its use becomes very reliable. The excellent design makes the gearbox and engine arrangement more soft and smooth.
It can be matched with high-speed diesel engines at home and abroad, and can be arranged in vertical, horizontal and inclination according to the needs of users.
The gearbox have adapted to combined design, and all running parts have been carefully designed and machined to the highest standards for less wasted fuel, smooth operation which can be fitted to most engine models.
2-stage deceleration, the input and output are at the same center, and when the running direction is the same, it has the function of reverse clutch deceleration.
Professional gearbox specialists and after-sales service, spare parts directly available from stock.
Technical Specifications
| Gearbox Model: | GWC45.49 |
| Input Speed: | 400-1600 r / min |
| Power: | N/A |
| Center Distance: | N/A |
| Trans.Capacity: | 4.24-1.398 kw/r/min |
| Reduction Ratio: | 1.97-5.98 |
| Rated Thrust: | 270 kN |
| Dimension: | N/A |
| Net Weight: | 5280 kg |
| Lead Time: | 15-30 Working Days |
| Payment Terms: | T/T ,L/C |
Click Kit Name to Check Part List
- Housing Assembly
- Output Assembly
- Ahead Clutch Assembly
- Astern Cluteh Assembly
- Pump Transmission Assembly
- Input Assembly
- RHD18 Back-pressure valve
- Till Return Valvc
- Ⅰ-Type 2-Stage control valve
Item | Description | Parts No. | Qty | Remark |
| 1 | Housing | 0/0112/0136/0,1/0112/0136/0 | 1 | — |
| 2 | Bolt M16×90 | GB/T5782–86 | 16 | — |
| 3 | Nut M16 | GB/T6170–86 | 16 | — |
| 5 | Bolt M24×150 | GB/T5782–86 | 4 | — |
| 6 | Nut M24 | GB/T6170–86 | 4 | — |
| 7 | Bolt M24×100 | GB/T5782–86 | 1 | — |
| 8 | Bolt M24×130 | GB/T5782–86 | 1 | — |
| 9 | Pin 16×80 | GB/T117–86 | 2 | — |
| 10 | Bolt M24×330 | GB/T5782–86 | 2 | — |
| 11 | Bolt M24×270 | GB/T5782–86 | 4 | — |
| 14 | Bolt M20×90 | GB/T5782–86 | 16 | — |
| 15 | Nut M20 | GB/T6170–86 | 16 | — |
| 16 | Bolt M24×170 | GB/T5782–86 | 2 | — |
| 17 | Nut M24 | GB/T6170–86 | 2 | — |
| 18 | Bolt M30×170 | GB/T5782–86 | 2 | — |
| 19 | Nut M30 | GB/T6170–86 | 2 | — |
| 20 | Pin 16×100 | GB/T877–86 | 2 | — |
| 24 | Socket cap fitting screw M24×100 | GB/T79–85 | 4 | — |
| 26 | Sealing plate | GWC45.49–26 | 1 | — |
| 27 | Bolt M20×45 | GB/T5783–86 | 8 | — |
| 28 | Bolt M12×50 | GB/T5782–86 | 2 | — |
| 29 | Nut M12 | GB/T6170–86 | 2 | — |
| 30 | Pin 12×40 | GB/T879–86 | 2 | — |
| 32 | Bearing cover | GWC45.49–32 | 1 | — |
| 33 | Bolt M20×45 | GB/T5783–86 | 8 | — |
| 35 | Nut M14 | GB/T6170–86 | 2 | — |
| 36 | Sealing plate | GWC45.49–36 | 1 | — |
| 37 | Bolt M20×50 | GB/T5783–86 | 8 | — |
| 38 | Bolt M14×50 | GB5783–86 | 2 | — |
| 39 | Pin 12×40 | GB/T879–86 | 2 | — |
| 40 | Bearing bracket | GWC45.49–40 | 1 | — |
| 41 | Bolt M24×100 | GB/T32.1–88 | 10 | — |
| 42 | Wire Φ3 | GB/T343–94 | 4 | — |
| 43 | Pin 20×100 | GB/T118–86 | 2 | — |
| 44 | Bearing support | GWC45.49–44 | 1 | — |
| 45 | Bolt M16×75 | GB/T32.1–88 | 3 | — |
| 46 | Wire Φ2.5 | GB/T343–94 | 1 | — |
| 47 | Pin 10×100 | GB/T881–86 | 2 | — |
| 48 | Oil pan | GWC45.49–48 | 1 | — |
| 49 | Bolt M10×15 | GB/T32.1–88 | 4 | — |
| 50 | Wire Φ1.6 | GB/T343–94 | 2 | — |
| 53 | Oil dip stick | GWC45.49–53 | 1 | — |
| 54 | Protective pipe | GWC45.49–54 | 1 | — |
| 55 | Cover | 4/0438/0949/0 | 2 | — |
| 56 | Bolt M8×12 | GB/T5783–86 | 8 | — |
| 59 | Inspection window plate | 3/0454/0018/0 | 2 | — |
| 60 | Gasket | — | 2 | — |
| 61 | Bolt M18×25 | GB/T5783–86 | 12 | — |
| 62 | Inspection window plate | GWC45.49–62 | 1 | — |
| 63 | Gasket | — | 1 | — |
| 64 | Bolt M8×20 | GB/T5783–86 | 8 | — |
| 74 | Inspection window plate | GWC45.49–74 | 1 | — |
| 75 | Gasket | — | 1 | — |
| 76 | Bolt M10×20 | GB/T5783–86 | 20 | — |
| 78 | Oil inlet with srainer | GWC–78–000 | 1 | — |
| 79 | Ring | Q29–04 | 1 | — |
| 80 | Ring | Q29–05 | 1 | — |
| 81 | Breather cap | Q29–06 | 1 | — |
| 82 | Copper washer | Q20–03 | 1 | — |
| 83 | Plug screw M48×2 | JB1001–77 | 3 | — |
| 84 | Copper washer | Q20–03 | 3 | — |
| 89 | HC emblem mark | Q25–13 | 2 | — |
| 90 | Rivet 3×10 | GB/T827–86 | 8 | — |
| 93 | Nameplate | Q25–01–04 | 1 | — |
| 94 | Rivet 3×10 | GB/T827–86 | 4 | — |
| 97 | Steering plate | Q25–06 | 1 | — |
| 98 | Rivet 3×10 | GB/T827–86 | 2 | — |
| 113 | Plug screw M14×1.5 | JB1001–77 | 2 | — |
| 141 | Oil feeding plate | GWC45.49–141 | 2 | — |
| 142 | Bolt M20×55 | GB/T5783–86 | 16 | — |
| 143 | Bushing | GWC45.49–143 | 2 | — |
| 144 | Cover plate | GWC45.49–144 | 2 | — |
| 145 | Bolt M8×30 | GB/T5783–86 | 12 | — |
| 153 | Bolt M16×45 | GB/T5783–86 | 4 | — |
| 155 | Connection plate | 2/0930/0644/1 | 1 | — |
| 156 | Screw M10×55 | GB/T70–85 | 4 | — |
| 168 | Bolt M16×25 | GB/T5783–86 | 4 | — |
| 237 | Packing 15.9×15.9×900 | Valqua * No. 137 | 1 | — |
| 255 | Packing 9.5×9.5×532 | Valqua * No. 137 | 1 | — |
| 289 | Bolt M10×15 | GB/T5783–86 | 4 | — |
| 290 | Oil pan | GWC45.49–290 | 1 | — |
| 291 | Wire Φ1.6 | GB/T343–94 | 2 | — |
| ——END—— | ||||

Item | Parts Name | Parts No. | Qty | Remark |
| 1 | Output Shaft | GWC45.49–240 | 1 | 240 |
| 2 | O-ring 265*5.3 | GB/T3452.1–92 | 1 | 238 |
| 3 | Bearing | 32248H(NU248) | 1 | 236 |
| 4 | Supporting ring | GWC45.49–235 | 1 | 235 |
| 5 | Spacer ring | GWC49.54–234 | 1 | 234 |
| 6 | Output gear | GWC45.49–284 | 1 | — |
| 7 | Spacer ring | GWC45.49–233 | 1 | 233 |
| 8 | Supporting ring | GWC45.49–232 | 1 | 232 |
| 9 | Bearing | 32244H(NU244) | 1 | 231 |
| 10 | Spacer ring | GWC45.49–230 | 1 | 230 |
| 11 | Bearing | 9069434E(29434E) | 2 | 223 |
| 12 | Spring 2*10*79.5 | GB/T2089–94 | 10 | 227 |
| 13 | Disc | GWC45.49–221 | 1 | 221 |
| 14 | Screw M24×60 | GB/T70–85 | 6 | 22 |
| ——END—— | ||||

Item | Parts Name | Parts No. | Qty | Remark |
| 1 | Circle for shaft 140 | GB/T894.1–86 | 1 | 170 |
| 2 | Spacer ring | GWS45.49–171 | 1 | 171 |
| 3 | Bearing | 3G53628HY (22328CC/C3W33) | 1 | 172 |
| 4 | Adjusting ring | 4/0402/0161/0 | 1 | 173 |
| 5 | Special stud bolt | GWS45.49–176 | 16 | 176 |
| 6 | Nut M16 | DIN6915 | 32 | 177 |
| 7 | Clutch gear | GWS45.49–178 | 1 | 178 |
| 8 | Inner disc 10 | GWS45.49–180 | 10 | 180 |
| 9 | Outer disc 11 | GWS45.49–181 | 11 | 181 |
| 10 | Disc carrier | GWS45.49–182 | 1 | 182 |
| 11 | Clutch piston | GWC45.49–183 | 1 | 183 |
| 12 | X–seal 170.81×184.81×7 | 4440 | 1 | 184 |
| 13 | Back ring 170×6.4×1.25 | S52018–440 | 1 | 185 |
| 14 | X–seal 304.2×318.2×7 | 4453 | 1 | 186 |
| 15 | Back ring 307.2×6.4×1.25 | S52029–453 | 1 | 187 |
| 16 | Disc | GWS45.49–188 | 1 | 188 |
| 17 | Pressure spring | GWC42.45–189 | 1 | 189 |
| 18 | Bushing | 3/0333/5008/0 | 1 | 190 |
| 19 | Plug Φ8 | GWS45.49–192 | 3 | 192 |
| 20 | Screw M10×90 | GB/T70–85 | 6 | 193 |
| 21 | Retaining disc | 4/0406/0466/1 | 1 | 194 |
| 22 | Screw M10×25 | GB/T70–85 | 6 | 197 |
| 23 | Clutch breather | 3/0931/0118/0 | 2 | 198 |
| 24 | Piston | 4/0903/0079/0 | 2 | 199 |
| 25 | Bolt M6×40 | GB/T5782–86 | 4 | 200 |
| 26 | Screw M6×8 | GB/T71–85 | 4 | 201 |
| 27 | Screw M5×10 | GB/T71–85 | 2 | 202 |
| 28 | Spring 0.5×4×31 | GB/T2089–94 | 2 | 203 |
| 29 | Flange for clutch housing | GWC45.49–204 | 1 | 204 |
| 30 | Pin 16×55 | GB/T119–86 | 2 | 205 |
| 31 | Bearing | 3G32236E (NU236/C3) | 1 | 206 |
| 32 | Supporting ring | GWS45.49–207 | 1 | 207 |
| 33 | Spacer ring | GWS45.49–208 | 1 | 208 |
| 34 | Key 32×100 | GB/T1096–79 | 1 | 209 |
| 35 | Bearing | 3G32628E(NU2328/C3) | 2 | 210 |
| 36 | Circlip for shaft 140 | GB/T894.1–86 | 1 | 211 |
| 37 | Supporting ring | GWS45.49–212 | 2 | 212 |
| 38 | Spacer ring | GWS45.49–213 | 1 | 213 |
| 39 | Spacer ring | GWS45.49–214 | 1 | 214 |
| 40 | Bearing | 176328K (QJ328N2) | 1 | 215 |
| 41 | Washer 140 | GB/T858–88 | 1 | 216 |
| 42 | Nut M140×2 | GB/T812–88 | 1 | 217 |
| 43 | Holding pin | 4/0220/0554/1 | 1 | 218 |
| 44 | Circlip for shaft 180 | GB/T894.1–86 | 1 | 219 |
| 45 | Screw M8×20 | GB/T70–85 | 6 | 241 |
| 46 | Seal ring | 300–01–016 | 2 | 242 |
| 47 | Oil feeding plate | GWC45.49–243 | 1 | 243 |
| 48 | Cylinder | GWC45.49–274 | 1 | 274 |
| 49 | Fit bolt | GWC45.49–276 | 12 | 276 |
| 50 | Nut M20 | GB/T6170–86 | 12 | 277 |
| 51 | Emergency screw | GWC45.49–279 | 4 | 279 |
| 52 | Wire fuse Φ2.5 | GB/T343–94 | 2 | 280 |
| 53 | Pinion shaft | GWC45.49–281 | 1 | — |
| 54 | Plug screw M22×1.5 | JB1001–77 | 1 | 285 |
| 55 | Washer 22 | Q20–03 | 1 | 286 |
| 56 | Cultch gear | GWC45.49–288 | 1 | — |
| ——END—— | ||||

Item | Parts Name | Parts No. | Qty | Remark |
| 1 | Circlip for shaft 140 | GB/T894.1–86 | 1 | 170 |
| 2 | Spacer ring | GWS45.49–171 | 1 | 171 |
| 3 | Bearing | 3G53628HY (22328CC/C3W33) | 1 | 172 |
| 4 | Adjusting ring | 4/0402/0161/0 | 1 | 173 |
| 5 | Emergency screw | 4/0224/1068/1 | 4 | 174 |
| 6 | Special stud bolt | GWS45.49–176 | 16 | 176 |
| 7 | Nut M16 | DIN6915 | 32 | 177 |
| 8 | Clutch gear | GWS45.49–179 | 1 | 179 |
| 9 | Inner disc | GWS45.49–180 | 10 | 180 |
| 10 | Outer disc | GWS45.49–181 | 11 | 181 |
| 11 | Disc carrier | GWS45.49–182 | 1 | 182 |
| 12 | Clutch piston | GWC45.49–183 | 1 | 183 |
| 13 | X–Seal 170.81×184.81×7 | 4440 | 1 | 184 |
| 14 | Back ring 170×6.4×1.25 | S52018–440 | 1 | 185 |
| 15 | X–Seal 304.2×318.2×7 | 4453 | 1 | 186 |
| 16 | Back ring 307.2×6.4×1.25 | S52029–453 | 1 | 187 |
| 17 | Disc | GWS45.49–188 | 1 | 188 |
| 18 | Pressure spring | GWC42.45–189 | 1 | 189 |
| 19 | Bushing | 4/0333/0417/0 | 1 | 191 |
| 20 | Plug Φ8 | GWS45.49–192 | 3 | 192 |
| 21 | Screw M10×90 | GB/T70–85 | 6 | 193 |
| 22 | Screw M10×25 | GB/T70–85 | 6 | 197 |
| 23 | Clutch breather | 3/0931/0118/0 | 2 | 198 |
| 24 | Piston | 4/0903/0079/0 | 2 | 199 |
| 25 | Bolt M6×40 | GB/T5782–86 | 4 | 200 |
| 26 | Screw M6×8 | GB/T71–85 | 4 | 201 |
| 27 | Screw M5×10 | GB/T71–85 | 2 | 202 |
| 28 | Spring 0.5×4×31 | GB/T2089–94 | 2 | 203 |
| 29 | Flange for clutch housing | GWC45.49–204 | 1 | 204 |
| 30 | Pin 16×55 | GB/T119–86 | 2 | 205 |
| 31 | Bearing | 3G32236E (NU236/C3) | 1 | 206 |
| 32 | Supporting ring | GWS45.49–207 | 1 | 207 |
| 33 | Spacer ring | GWS45.49–208 | 1 | 208 |
| 34 | Key 32×100 | GB/T1096–79 | 1 | 209 |
| 35 | Bearing | 3G32628E(NU2328/C3) | 2 | 210 |
| 36 | Circlip for shaft 140 | GB/T894.1–86 | 1 | 211 |
| 37 | Supporting ring | GWS45.49–212 | 2 | 212 |
| 38 | Spacer ring | GWS45.49–213 | 1 | 213 |
| 39 | Spacer ring | GWS45.49–214 | 1 | 214 |
| 40 | Bearing | 176328K (QJ328N2) | 1 | 215 |
| 41 | Washer 140 | GB/T858–88 | 1 | 216 |
| 42 | Nut M140×2 | GB/T812–88 | 1 | 217 |
| 43 | Holding pin | 4/0220/0554/1 | 1 | 218 |
| 44 | Circlip for shaft 180 | GB/T894.1–86 | 1 | 219 |
| 45 | Screw M8×20 | GB/T70–85 | 6 | 241 |
| 46 | Seal ring | 300–01–016 | 2 | 242 |
| 47 | Oil feeding plate | GWC45.49–243 | 1 | 243 |
| 48 | Cylinder | GWC45.49–275 | 1 | 275 |
| 49 | Retaining disc | 4/0406/0468/1 | 1 | 278 |
| 50 | Wire fuse Φ2.5 | GB/T343–94 | 2 | 280 |
| 51 | Pinion shaft | GWC45.49–281 | 1 | — |
| 52 | Plug screw M22×1.5 | JB1001–77 | 1 | 285 |
| 53 | Washer 22 | Q20–03 | 1 | 286 |
| ——END—— | ||||

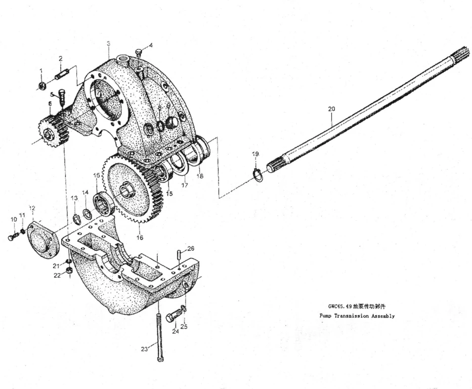
Item | Parts Name | Parts No. | Qty | Remark |
| 1 | Nut M16 | GB/T6170–86 | 4 | 114 |
| 2 | Double end stud M16×40 | GB/T898–88 | 4 | 129 |
| 3 | Pump housing | GWC45.49–06–110 | 1 | 110 |
| 4 | Plug screw M14×1.5 | Q20–01 | 1 | 113 |
| 5 | Bolt M12×40 | GB/T5783–86 | 10 | 115 |
| 6 | Pump gear | — | 1 | 300 (Select by order) |
| 7 | Plug Φ7 | Q21–14 | 1 | 132 |
| 8 | Copper washer 33 | Q20–03 | 1 | 119 |
| 9 | Plug screw M33×2 | Q20–01 | 1 | 118 |
| 10 | Bolt M10×30 | GBT5783–86 | 4 | 130 |
| 11 | Bearing | 6210 | 2 | — |
| 12 | Cover plate | 3/0438/0902/1 | 1 | 128 |
| 13 | Circlip for shaft 540 | GB894–86 | 1 | 120 |
| 14 | Washer 35×25×2 | DIN988 | 1 | 121 |
| 15 | Bearing | 6210 | 2 | 125 |
| 16 | Pump gear | — | 1 | 301 (Select by order) |
| 17 | Nilos ring | 4/0985/0664/0 | 1 | 127 |
| 18 | Bushing | 4/0333/0472/0 | 1 | 126 |
| 19 | Circlip for shaft 34 | GB/T894–86 | 1 | 124 |
| 20 | Pump shaft | GWC45.49–123 | 1 | 123 |
| 22 | Nut M12 | GB/T6170–86 | 10 | 117 |
| 23 | Bolt M12×175 | GB/T5782–86 | 2 | 116 |
| 24 | Bolt M16×40 | GB/T5783–86 | 8 | 111 |
| 26 | Pin A10×30 | GB/T117–86 | 2 | 112 |
| ——END—— | ||||

No. | Description | Parts No. | Qty. | Remarks |
| 1 | Round nut M130×2 | GB/T812–88 | 1 | 250 |
| 2 | Washer 130 | GB/T858–88 | 1 | 251 |
| 3 | Input shaft | GWC45.49–252 | 1 | 252 |
| 4 | Key 40×160 | GB/T1096–79 | 1 | 253 |
| 5 | O-ring 155×5.3 | GB/T3452.1–92 | 1 | 254 |
| 6 | Circlip for shaft 170 | GB/T894.1–86 | 1 | 256 |
| 7 | Bearing | 3G32234EH (NU234/C3) | 1 | 257 |
| 8 | Supporting ring | GWC45.49–258 | 1 | 258 |
| 9 | Spacer ring | GWC45.49–259 | 1 | 259 |
| 10 | Spacer ring | GWC45.49–261 | 1 | 261 |
| 11 | Adjusting ring | GWC45.49–262 | 2 | 262 |
| 12 | Bearing | 3G53230Y (23230CC/C3W33) | 1 | 263 |
| 13 | Disc | GWC45.49–264 | 1 | 264 |
| 14 | Screw M16×40 | GB/T70–85 | 6 | 265 |
| 15 | Input gear | GWC45.49–287 | 1 | (Select by order) |
| 16 | Input flange | GWC45.49–295 | 1 | (Select by order) |
| ——END—— | ||||

Item | Parts Name | Parts No. | Qty | Remark |
| 1 | Nut | JB1981–77 Z18 | 2 | — |
| 2 | Cover | JB1987–77 18Ⅱ | 2 | — |
| 3 | Washer | JB1002–77 18 | 1 | — |
| 4 | Valve cover | RHZ/D18–07 | 1 | — |
| 5 | Guide pole | RHZ/D18–06 | 1 | — |
| 6 | Pressure spring | RHZ/D18–05B | 1 | — |
| 7 | Washer | RHZ/D18–03 | 1 | — |
| 8 | Rubber band | RHZ/D18–02 | 1 | — |
| 9 | Valve pole | RHZ/D18–04 | 1 | — |
| 10 | Valve | RHZ/D18–01 | 1 | — |
| ——END—— | ||||

Item | Parts Name | Parts No. | Qty | Remark |
| 1 | Bolt M16×110 | GB/T5782–86 | 8 | — |
| 2 | Till flange | RK46–NW80–06 | 1 | — |
| 3 | Gasket | RK46–NW80–01 | 1 | — |
| 4 | Circlip for hole 90 | GB/T893.1–86 | 1 | — |
| 5 | Spring disc | RK46–NW80–03 | 1 | — |
| 6 | Till valve spring | RK46–NW80–05 | 1 | — |
| 7 | Valve | RK46–NW80–04 | 1 | — |
| 8 | Till return valve | RK46–NW80–02 | 1 | — |
| 9 | Washer | RK46–NW80–07 | 1 | — |
| 10 | Flange C80×89 | DIN2633 | 1 | — |
| 11 | Bolt M16 | GB/T6170–86 | 8 | — |
| ——END—— | ||||

1 | Bolt M10×65 | GB/T5782–86 | 4 | — |
| 2 | Valve body | 3/0901/0046/0 | 1 | — |
| 3 | Screw M6×8 | GB/T71–85 | 4 | — |
| 4 | Pin Φ5×24 | GB/T119–86 | 1 | — |
| 5 | Washer 14 | Q20–03 | 3 | — |
| 6 | Screw plug M14×1.5 | Q20–01 | 3 | — |
| 7 | Control piston | 4/0903/0052/0 | 1 | — |
| 8 | Piston | 4/0903/0053/0 | 1 | — |
| 9 | Valve | 4/0901/0040/1 | 1 | — |
| 10 | Screw thread piece M6×9 | LSN60239 | 1 | — |
| 11 | Adjusting screw | 4/0224/1031/2 | 1 | — |
| 12 | O-ring Φ85×3 | — | 1 | — |
| 13 | Spacer ring | 4/0401/3589/2 | 1 | — |
| 14 | Piston | 4/0903/0075/0 | 1 | — |
| 15 | (Inter)Pressure spring | 4/0991/0294/1 | 1 | — |
| 16 | (outer)Pressure spring | 4/0991/0293/1 | 1 | — |
| 17 | Piston | 3/0903/0076/0 | 1 | — |
| 18 | Plug screw M10×15×2 | — | 1 | — |
| 19 | Valve body | 1/0901/0053/0 | 1 | — |
| 20 | Bolt M16×48 | GB/T5783–86 | 8 | — |
| 21 | Flange | 4/0583/2027/0 | 2 | — |
| 22 | O-ring Φ90×4 | — | 2 | — |
| 23 | O-ring Φ62×2 | — | 1 | — |
| 24 | Cover | 3/0439/0443/0 | 1 | — |
| 25 | Bolt M10×35 | GB/T5783–86 | 4 | — |
| ——END—— | ||||

Note: All Above Data are Just for Reference, All Data Might Change Without Notices or Updates, Please Contact Our Sales Team to Confirm All Details Via WhatsApp or Email.

Engine Sale Manual

Installation Drawing

Installation Manual

Operation Manual

Parts Catalogue


