The speed input range of the Advance GWC60.66 marine gearbox is 400-1900 RPM, with engine input power from 253.6 kW to 3648 kW. the reduction ratio range is 1.97-5.97 the transmission capacity range is 0.634-1.92 kW/RPM, the rated propeller thrust is 140 KN, and the input shaft is in the train Opposite to the output shaft.Advance GWC36.39 marine gearbox is composed of transmission shaft, output coupling, input coupling, oil pressure gauge, oil Filter, control system, oil pump and other important components.Advance GWC36.39 marine gearboxes provides two types of control system which are electric control and pneumatic control for customers to choose. To meet the different requirement of coupling with different engine brand and models, Advance GWC36.39 marine gearboxes available in engine flywheel sizes.All of our Advance GWC series marine gearbox can provide CCS classification certificate, some of series can provide international classifications with extra costs which mainly including French BV, British LR, American ABS, Japanese NK , Norway DNV-GL, Russia RS, South Korea KR, Italy RINA and other classification societies.
Advantages Of Advance GWC60.66 Marine Gearbox Parts
Gearbox novel structure, so that its use becomes very reliable. The excellent design makes the gearbox and engine arrangement more soft and smooth.
It can be matched with high-speed diesel engines at home and abroad, and can be arranged in vertical, horizontal and inclination according to the needs of users.
The gearbox have adapted to combined design, and all running parts have been carefully designed and machined to the highest standards for less wasted fuel, smooth operation which can be fitted to most engine models.
2-stage deceleration, the input and output are at the same center, and when the running direction is the same, it has the function of reverse clutch deceleration.
Professional gearbox specialists and after-sales service, spare parts directly available from stock.
Technical Specifications
| Gearbox Model: | GWC60.66 |
| Input Speed: | 400-2000 r / min |
| Power: | N/A |
| Center Distance: | N/A |
| Trans.Capacity: | 9.931-3.261 kw/r/min |
| Reduction Ratio: | 2.01-6.12 |
| Rated Thrust: | 450 kN |
| Dimension: | N/A |
| Net Weight: | 15000 kg |
| Lead Time: | 15-30 Working Days |
| Payment Terms: | T/T ,L/C |
Click Kit Name to Check Part List
- GWC60.66 Input Assembly
- GWC60.66-02-000 Ahead Clutch Assembly
- GWC60.66 Astern Clutch Assembly
- GWC60.66 - 04 - 000 Output Assembly
- GWC60.66 - 05 - 000 Housing Assembly
- GWC60.66 Pump Transmission Assembly
- RHD/D18 Back - pressure valve
- Check valve RK46 - NW80 - 00
- I - Type 2 - Stage control valve
No. | Description | Parts No. | Qty. | Remarks |
| 1 | Screw M24×60 | GB70 – 85 | 6 | 265 |
| 2 | Input shaft gland | GWC60.66 – 01 – 002 | 1 | 264 |
| 3 | Spacer | GWC60.66 – 01 – 008 | 1 | 260 |
| 4 | Bearing 22338CC/W33 | GB/T288 – 94 | 1 | 263 |
| 5 | Spacer | GWC60.66 – 01 – 007 | 1 | 261 |
| 6 | Input shaft | GWC60.66 – 01 – 005 | 1 | 287 |
| 7 | Input shaft | GWC60.66 – 01 – 001 | 1 | 252 |
| 8 | Regulating ring | GWC60.66 – 01 – 006 | 1 | 262 |
| 9 | Spacer | GWC60.66 – 01 – 004 | 2 | 258 |
| 10 | Bearing NU2244EC | GB/T283 – 94 | 1 | 257 |
| 11 | Sprag for shaft | GWC60.66 – 01 – 003 | 1 | 256 |
| 12 | O – ring 215×7 | GB/T3452.1 – 92 | 1 | 254 |
| 13 | Input flange | GWC60.66 – 01 – 009 | 1 | 295 |
| ——END—— | ||||

No. | Description | Parts No. | Qty. | Remarks |
| 1 | Nut M180x3 | GB812 – 88 | 1 | 217 |
| 2 | Washer 180 | GB858 – 88 | 1 | 216 |
| 3 | Pin | GWC52.59 – 218 | 1 | 218 |
| 4 | Bearing QJ336 N2 | GB/T294 – 94 | 1 | 215 |
| 5 | Spacer | GWC60.66 – 02 – 001 | 1 | 213 |
| 6 | Inner spacer | GWC60.66 – 02 – 002 | 1 | 214 |
| 7 | Bearing NU2336 | GB/T293 – 94 | 2 | 210 |
| 8 | Spacer | GWC60.66 – 02 – 007 | 2 | 212 |
| 9 | Shaft gear | GWC60.66 – 02 – 003 | 1 | 281 |
| 10 | Key 40×160 | GB1096 – 79 | 1 | 209 |
| 11 | Snap ring 180×3 | GB/T894 – 76 | 1 | 211 |
| 12 | Spacer ring | 4/0401/5098/0 | 1 | 208 |
| 13 | Gland | 3/0409/5006/0 | 1 | 219 |
| 14 | Bearing NU3060 | GB/T285 – 94 | 1 | 206 |
| 15 | Spacer | GWC60.66 – 02 – 008 | 1 | 207 |
| 16 | Pin φ20×60 | GB119 – 86 | 2 | 205 |
| 17 | Nut M24 | GWC60.66 – 02 – 177 | 32 | 177 |
| 18 | Stud | 4/0224/5084/0 | 16 | 176 |
| 19 | Clutch casing flange | 2/0582/5039/0 | 1 | 204 |
| 20 | Clutch housing | GWC60.66 – 02 – 004 | 1 | 178 |
| 21 | Disc carrier | GWL60.66 – 182 | 1 | 182 |
| 22 | Plug φ10 | Q21 – 38 | 3 | 192 |
| 23 | Inner disc | 3/0539/0061/2 | 10 | 180 |
| 24 | Outer disc | 3/0530/0049/0 | 11 | 181 |
| 25 | Gland with hole | 4/0406/5131/0 | 1 | 194 |
| 26 | Screw M8x20 | GB70 – 85 | 6 | 220 |
| 27 | Screw M12x30 | GB70 – 85 | 6 | 195 |
| 28 | Spring bushing | GWL60.66 – 190 – 190 – 1 | 1 | 190 (Selected) |
| 29 | Spring | DIN2093 – C200 | 5 | 189 |
| 30 | Seal | GWL60.66 – 02 – 005 | 1 | 188 |
| 31 | Clutch piston | GWL60.66 – 183 | 1 | 183 |
| 32 | X – ring φ430 | 4462 | 1 | 186 |
| 33 | Back ring φ430 | 1 | 187 | |
| 34 | Guiding ring sleeve | GWL60.66 – 239 – 239 – 1 | 1 | 239 (Selected) |
| 35 | Screw M12x65 | GB70 – 85 | 6 | 196 |
| 36 | Back ring φ240 | S52029 – 432 | 1 | 185 |
| 37 | “X” – ring φ150 | 4432 | 1 | 184 |
| 38 | Bolt M8x25 | GB5783 – 86 | 6 | 283 |
| 39 | O – ring 28×2.65 | GB3452.1 – 92 | 1 | 282 |
| 40 | Press board | GWC60.66 – 02 – 011 | 1 | 278 |
| 41 | Bolt | 4/0224/5085/0 | 12 | 276 |
| 42 | Ahead Emergency screw | 4/0224/5087/0 | 4 | 279 |
| 43 | Wire fuse ∮2.5 | GB/T343 – 94 | Several | 280 |
| 44 | Cylinder | GWC60.66 – 02A – 274 | 1 | 274 |
| 45 | Bolt M6x40 | GB/T5783 – 86 | 4 | 200 |
| 46 | Screw M6x8 | GB/T71 – 85 | 4 | 201 |
| 47 | Screw M5x10 | GB/T71 – 85 | 2 | 202 |
| 48 | Piston | 4/0903/0079/0 | 2 | 199 |
| 49 | Clutch drain valve | 3/0931/0118/0 | 2 | 198 |
| 50 | Spring 0.5x4x31 | GB2089 – 94 | 2 | 203 |
| 51 | Clutch gear | GWC60.66 – 02 – 005 | 1 | 288 |
| 52 | Adjusting ring | 4/0402/0201/0 | 1 | 173 |
| 53 | Bearing 22344CC/W33 | GB/T288 – 94 | 1 | 172 |
| 54 | Spacer | 4/0400/5298/0 | 1 | 270 |
| 55 | Snap ring for shaft | GWC60.66 – 01 – 003 | 1 | 170 |
| 56 | Oil filler seat | GWC52.59 – 02 – 243 | 1 | 243 |
| 57 | Screw M10x25 | GB/T70 – 85 | 6 | 242 |
| 58 | Sealing ring | 300 – 01 – 016 | 2 | 245 |
| 59 | Bushing | GWC52.59 – 05 – 143 | 1 | 244 |
| 60 | O – ring 80×2.65 | GB3452.1 – 92 | 1 | 224 |
| ——END—— | ||||

No. | Description | Parts No. | Qty. |
| Nut M180x3 | GB812 – 88 | 1 | 217 |
| Washer 180 | GB858 – 88 | 1 | 216 |
| Pin | GWC52.59 – 218 | 1 | 218 |
| Bearing QJ336 N2 | GB/T294 – 94 | 1 | 215 |
| Spacer | GWC60.66 – 02 – 001 | 1 | 213 |
| Inner spacer | GWC60.66 – 02 – 002 | 1 | 214 |
| Bearing NU2336 | GB/T293 – 94 | 2 | 210 |
| Spacer | GWC60.66 – 02 – 007 | 2 | 212 |
| Shaft gear | GWC60.66 – 02 – 003 | 1 | 281 |
| Key 40×160 | GB1096 – 79 | 1 | 209 |
| Snap ring 180×3 | GB/T894 – 76 | 1 | 211 |
| Spacer ring | 4/0401/5098/0 | 1 | 208 |
| Gland | 3/0409/5006/0 | 1 | 219 |
| Bearing NU3060 | GB/T285 – 94 | 1 | 206 |
| Spacer | GWC60.66 – 02 – 008 | 1 | 207 |
| Pin φ20×60 | GB119 – 86 | 2 | 205 |
| Nut M24 | GWC60.66 – 02 – 177 | 32 | 177 |
| Stud | 4/0224/5084/0 | 16 | 176 |
| Clutch casing flange | 2/0582/5039/0 | 1 | 204 |
| Clutch housing | GWC60.66 – 02 – 004 | 1 | 178 |
| Disc carrier | GWL60.66 – 182 | 1 | 182 |
| Plug φ10 | Q21 – 38 | 3 | 192 |
| Inner disc | 3/0539/0061/2 | 10 | 180 |
| Outer disc | 3/0530/0049/0 | 11 | 181 |
| Gland with hole | 4/0406/5131/0 | 1 | 194 |
| Screw M8x20 | GB70 – 85 | 6 | 220 |
| Screw M12x30 | GB70 – 85 | 6 | 195 |
| Spring bushing | GWL60.66 – 190 – 190 – 1 | 1 | 190 (Selected) |
| Spring | DIN2093 – C200 | 5 | 189 |
| Seal | GWL60.66 – 02 – 005 | 1 | 188 |
| Clutch piston | GWL60.66 – 183 | 1 | 183 |
| X – ring φ430 | 4462 | 1 | 186 |
| Back ring φ430 | 1 | 187 | |
| Guiding ring sleeve | GWL60.66 – 239 – 239 – 1 | 1 | 239 (Selected) |
| Screw M12x65 | GB70 – 85 | 6 | 196 |
| Back ring φ240 | S52029 – 432 | 1 | 185 |
| “X” – ring φ150 | 4432 | 1 | 184 |
| Bolt M8x25 | GB5783 – 86 | 6 | 283 |
| O – ring 28×2.65 | GB3452.1 – 92 | 1 | 282 |
| Press board | GWC60.66 – 02 – 011 | 1 | 278 |
| Bolt | 4/0224/5085/0 | 12 | 276 |
| Ahead Emergency screw | 4/0224/5087/0 | 4 | 279 |
| Wire fuse ∮2.5 | GB/T343 – 94 | Several | 280 |
| Cylinder | GWC60.66 – 02A – 274 | 1 | 274 |
| Bolt M6x40 | GB/T5783 – 86 | 4 | 200 |
| Screw M6x8 | GB/T71 – 85 | 4 | 201 |
| Screw M5x10 | GB/T71 – 85 | 2 | 202 |
| Piston | 4/0903/0079/0 | 2 | 199 |
| Clutch drain valve | 3/0931/0118/0 | 2 | 198 |
| Spring 0.5x4x31 | GB2089 – 94 | 2 | 203 |
| Clutch gear | GWC60.66 – 02 – 005 | 1 | 288 |
| Adjusting ring | 4/0402/0201/0 | 1 | 173 |
| Bearing 22344CC/W33 | GB/T288 – 94 | 1 | 172 |
| Spacer | 4/0400/5298/0 | 1 | 270 |
| Snap ring for shaft | GWC60.66 – 01 – 003 | 1 | 170 |
| Oil filler seat | GWC52.59 – 02 – 243 | 1 | 243 |
| Screw M10x25 | GB/T70 – 85 | 6 | 242 |
| Sealing ring | 300 – 01 – 016 | 2 | 245 |
| Bushing | GWC52.59 – 05 – 143 | 1 | 244 |
| O – ring 80×2.65 | GB3452.1 – 92 | 1 | 224 |
| ——END—— | |||

No. | Description | Parts No. | Qty. | Remarks |
| 1 | Nut | GWC60.66 – 04 – 008 | 1 | \ |
| 2 | Output flange | GWC60.66 – 04 – 009 | 1 | \ |
| 3 | O – ring 320×7 | GB3452.1 – 92 | 1 | \ |
| 4 | Snap ring for shaft ∮320 | GB/T894.1 – 86 | 1 | \ |
| 5 | Spacer | GWC60.66 – 04 – 010 | 1 | \ |
| 6 | Bearing NU 2264 | GB/T283 – 94 | 1 | \ |
| 7 | Spacer | GWC60.66 – 04 – 002 | 1 | \ |
| 8 | Output shaft | GWC60.66 – 04 – 001 | 1 | \ |
| 9 | Output gear | GWC60.66 – 04 – 003 | 1 | \ |
| 10 | Spacer | GWC60.66 – 04 – 007 | 1 | \ |
| 11 | Bearing NUS348 | GB/T283 – 94 | 1 | \ |
| 12 | Spacer | GWC60.66 – 04 – 004 | 1 | \ |
| 13 | Bearing 29444E | GB/T5859 – 94 | 2 | \ |
| 14 | Spring 3.5x18x85 | GB2089 – 94 | 6 | \ |
| 15 | Thrust ring | GWC60.66 – 04 – 005 | 1 | \ |
| 16 | Gland | GWC60.66 – 04 – 006 | 1 | \ |
| 17 | Screw M24x65 | GB70 – 85 | 6 | \ |
| 18 | Front snap ring | GWC60.66 – 04 – 011 | 1 | \ |
| ——END—— | ||||

No. | Description | Parts No. | Qty. | Remarks |
| 1 | Upper housing | GWC60.66 – 05 – 101 | 1 | 1 |
| 2 | Bolt M10x30 | GB/T5783 – 86 | 40 | 61 |
| 3 | Inspection window cover | 3/0454/0021/0 | 1 | 64 |
| 4 | Paper Gasket | 3/0985/0036/0 | 1 | 65、75 |
| 5 | Inspection window cover | GWC60.66 – 05 – 59 | 2 | 59/69 -69 |
| 6 | Paper Gasket | 3/0985/0031/0 | 3 | 70 |
| 7 | Pin A16x120 | GB/T118 – 86 | 2 | 9 |
| 8 | Bolt M36x155 | GB/T5782 – 86 | 1 | \ |
| 9 | Washer 36 | GB/T93 – 87 | 1 | \ |
| 10 | Bolt M30x420 | GB/T5782 – 86 | 2 | 10 |
| 11 | Washer 30 | GB/T93 – 87 | 4 | \ |
| 12 | Bolt M30x330 | GB/T5782 – 86 | 4 | 11 |
| 13 | Bolt M36x165 | GB/T5782 – 86 | 2 | 7 |
| 14 | Washer 36 | GB/T93 – 87 | 1 | \ |
| 15 | Nameplate | Q25 – 01 – 02 | 1 | \ |
| 16 | Rivet ∮3×8 | GB/T827 – 86 | 4 | 92 |
| 17 | Bolt M36x240 | GB/T5782 – 86 | 4 | 5 |
| 18 | Bolt M24x80 | GB/T5783 – 86 | 7 | 2 |
| 19 | Middle housing | GWC60.66 – 05 – 102 | 1 | 12 |
| 20 | Bolt M8x30 | GB/T5783 – 86 | 12 | 144 |
| 21 | Cover – plate | GWC60.66 – 05 – 143 | 2 | 143 |
| 22 | Oil – in – end – cover | GWC60.66 – 05 – 141 | 2 | 141 |
| 23 | Bolt M20x65 | GB/T5782 – 86 | 16 | \ |
| 24 | Pin A16x120 | GB/T118 – 86 | 2 | 20 |
| 25 | Nut M30 | GB/T6170 – 86 | 2 | 17 |
| 26 | Washer 30 | GB/T93 – 87 | 2 | \ |
| 27 | Nut M36 | GB/T6170 – 86 | 4 | 6 |
| 28 | Washer 36 | GB/T93 – 87 | 8 | \ |
| 29 | Bolt M30x130 | GB/T5783 – 86 | 10 | 41 |
| 30 | Washer 30 | GB/T93 – 87 | 10 | \ |
| 31 | Washer 24 | GB/T93 – 87 | 17 | \ |
| 32 | Nut M24 | GB/T6170 – 86 | 10 | 3 |
| 33 | Dipstick | 4/8053/5193/0 | 1 | 53 |
| 34 | Protective pipe | 4/0940/5157/0 | 1 | 54 |
| 35 | Bolt M30x90 | GB/T5783 – 86 | 24 | 14 |
| 36 | Washer 30 | GB/T93 – 87 | 34 | \ |
| 37 | Inspection window cover | 3/0454/5040/0 | 1 | 74 |
| 38 | Oil filler | GWC – 78 | 1 | 78 |
| 39 | Nut M36 | GB/T6170 – 86 | 2 | 19 |
| 40 | Washer 36 | GB93 – 87 | 2 | \ |
| 41 | Bearing cover | 2/0438/5034/0 | 1 | 32 |
| 42 | Bolt M16x40 | GB/T5783 – 86 | 8 | 33 |
| 43 | Bolt M12x40 | GB/T5783 – 86 | 4 | 28 |
| 44 | Nut M12 | GB/T6170 – 86 | 4 | 29 |
| 45 | Pin 10×30 | GB/T879 – 86 | 2 | 30 |
| 46 | Split sealing cover | 2/0434/5053/0 | 1 | 26 |
| 47 | Bolt M20x65 | GB5783/T – 86 | 8 | 27 |
| 48 | Packing 15x15x730 | \ | 1 | \ |
| 49 | Plug screw M48x2 | Q20 – 01 | 3 | 84 |
| 50 | Washer 48 | Q20 – 03 | 3 | \ |
| 51 | Lower housing | GWC60.66 – 05.103 | 1 | 1.3 |
| 52 | Bolt M30x190 | GB/T5782 – 86 | 2 | 16 |
| 53 | Bolt M12x25 | GB/T32.1 – 88 | 8 | 49 |
| 54 | Wire fuse ∮1.6 | GB/T343 – 94 | Several | 50 |
| 55 | Oil tray subassembly | 3/0941/5052/0 | 1 | 290 |
| 56 | Oil tray subassembly | 3/0941/5053/0 | 1 | 48 |
| 57 | Bolt M36x200 | GB/T5782 – 86 | 2 | 18 |
| 60 | Packing 15x15x1060 | \ | 1 | \ |
| 61 | Sealing end – cover | GWC60.66 – 05 – 001 | 1 | 36 |
| 62 | Bolt M20x50 | GB/T5783 – 86 | 8 | 37 |
| 63 | Bolt M16x80 | GB27 – 88 | 2 | 39 |
| 64 | Bolt M20x80 | GB/T5782 – 86 | 2 | 38 |
| 65 | Nut M16 | GB6170 – 86 | 2 | 35 |
| 66 | Nut M20 | Gb6170 – 86 | 2 | \ |
| 67 | Breather cap | Q29 – 06 | 2 | \ |
| 68 | Straight pin 16×50 | GB879 – 86 | 2 | \ |
| 69 | Pin A12x20 | GB119 – 86 | 2 | \ |
| ——END—— | ||||

No. | Description | Parts No. | Qty. | Remarks |
| 1 | Nut M16 | GB41 – 86 | 4 | 114 |
| 2 | Double end stud M16x40 | GB898 – 88 | 4 | 129 |
| 3 | Pump input casing | 1/0442/5063/0 | 1 | 110 |
| 4 | Plug screw M14x1.5 | JB1000 – 77 | 1 | 113 |
| 5 | Bolt M12x45 | GB5783 – 86 | 10 | 115 |
| 6 | Pump gear | GWC60.66 – 06 – 001 | 1 | 300 |
| 7 | Plug ∅8 | Q21 – 13 | 1 | 132 |
| 8 | Copper washer 33 | Q20 – 03 | 1 | 119 |
| 9 | Plug screw M3x2 | JB1000 – 77 | 1 | 118 |
| 10 | Hexagon head bolt M10x30 | GB5783 – 86 | 4 | 130 |
| 11 | Washer 10 | GB93 – 87 | 4 | / |
| 12 | Endcover | 3/0438/0913/0 | 1 | 128 |
| 13 | Sprag 32 | GB894.1 – 86 | 1 | 120 |
| 14 | Spacer | 4/0401/5107/0 | 1 | 122 |
| 15 | Bearing 6212 | GB/T276 – 94 | 2 | 125 |
| 16 | Pump gear | GWC60.66 – 06 – 002 | 1 | 301 |
| 17 | Nylos ring | 4/0985/0687/0 | 1 | 127 |
| 18 | Bushing | 4/0333/5020/0 | 1 | 126 |
| 19 | Sprag 40 | GB894.1 – 86 | 1 | 120 |
| 20 | Pump transmission shaft | 3/0250/5017/0 | 1 | 123 |
| 21 | Washer | GB93 – 87 | 10 | / |
| 22 | Nut M12 | GB6170 – 86 | 12 | 117 |
| 23 | Bolt M12x225 | GB5782 – 86 | 2 | 116 |
| 24 | Bolt M16x50 | GB57832 – 86 | 8 | 111 |
| 25 | Washer 16 | GB93 – 87 | 8 | / |
| 26 | Taper pin 10×30 | GB117 – 86 | 2 | 112 |
| ——END—— | ||||

No. | Description | Parts No. | Qty. | Remarks |
| 1 | Nut Z18 | JB1981 – 77 | 2 | \ |
| 2 | Cover 18Ⅱ | JB1987 – 77 | 2 | \ |
| 3 | Washer 18 | JB1002 – 77 | 1 | \ |
| 4 | Valve cover | RHD/D18 – 07 | 1 | \ |
| 5 | Guide pole | RHD/D18 – 06 | 1 | \ |
| 6 | Pressure spring | RHD/D18 – 05B | 1 | \ |
| 7 | Washer | RHD/D18 – 03 | 1 | \ |
| 8 | Rubber band | RHD/D18 – 02 | 1 | \ |
| 9 | Valve pole | RHD/D18 – 04 | 1 | \ |
| 10 | Valve | RHD/D18 – 01 | 1 | \ |
| ——END—— | ||||

No. | Description | Parts No. | Qty. | Remarks |
| 1 | Hex. head bolt M16x110 | GB21 – 76 | 8 | \ |
| 2 | Till flange | RK46 – NW80 – 06 | 1 | \ |
| 3 | Gasket | RK46 – NW80 – 01 | 1 | \ |
| 4 | Sprag for hole GB893 – 76 90 | \ | 1 | \ |
| 5 | Spring disc | RK46 – NW80 – 03 | 1 | \ |
| 6 | Check valve spring | RK46 – NW80 – 05 | 1 | \ |
| 7 | Valve | RK46 – NW80 – 04 | 1 | \ |
| 8 | Check valve | RK46 – NW80 – 02 | 1 | \ |
| 9 | Sealing lining | RK46 – NW80 – 07 | 1 | \ |
| 10 | Flange C80x89 | DIN2633 | 1 | \ |
| 11 | Hex. head bolt | GB51 – 76 16 | 8 | \ |
| ——END—— | ||||

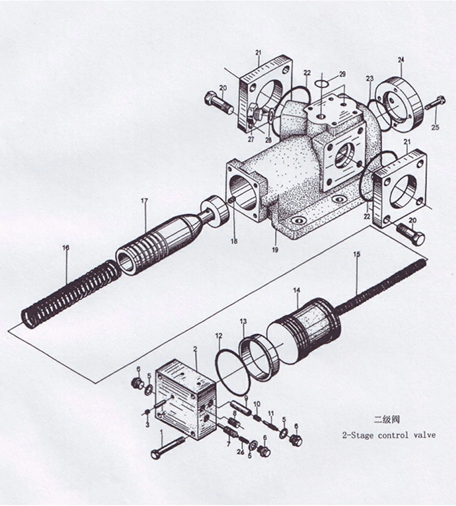
No. | Description | Parts No. | Qty. | Remarks |
| 1 | Hex. head bolt M10x65 | GB30 – 76 | 4 | GWC – 152.19 |
| 2 | Front valve | 3/0901/0046/0 | 1 | GWC – 152.2 |
| 3 | Setting screw M6x8 | GB71 – 76 | 4 | GWC – 152.21 |
| 4 | Taper pin ∅5qa×24 | GB119 – 76 | 1 | GWC – 152.22 |
| 5 | Copper washer Q20 – 03 14 | \ | 3 | GWC – 152.28 |
| 6 | Screw plug M14x1.5 | Q20 – 01 | 3 | GWC – 152.20 |
| 7 | Guiding valve | 4/0903/0052/0 | 1 | GWC – 152.12 |
| 8 | Screw plug | 4/0903/0053/0 | 1 | GWC – 152.13 |
| 9 | Valve | 4/0901/0040/1 | 1 | GWC – 152.10 |
| 10 | Screw thread piece M6x9 | LSN60239 | 1 | GWC – 152.24 |
| 11 | Regulating screw | 4/0224/1031/2 | 1 | GWC – 152.11 |
| 12 | “O”-ring ∅85×3 | \ | 1 | GWC – 152.27 |
| 13 | Spacer | 4/0401/3589/2 | 1 | GWC – 152.8 |
| 14 | Plunger | 4/0903/0075/0 | 1 | GWC – 152.4 |
| 15 | Inner spring | 4/0991/0294/1 | 1 | GWC – 152.6 |
| 16 | Outer spring | 4/0991/0293/1 | 1 | GWC – 152.5 |
| 17 | Piston | 3/0903/0076/0 | 1 | GWC – 152.3 |
| 19 | Valve | GWS45.49 – 152 – 1 | 1 | GWS49.54 – 152.1 |
| 20 | Hex. head bolt M16x45 | GB30 – 76 | 8 | GWC – 152.17 |
| 21 | Flange | 4/0583/2027/0 | 2 | GWC – 152.9 |
| 22 | “O”-ring ∅90×4 | \ | 2 | GWC – 152.26 |
| 23 | “O”-ring ∅62×2 | \ | 1 | GWC – 152.25 |
| 24 | Cover | 3/0439/0443/0 | 1 | GWC – 152.7 |
| 25 | Hex. head bolt M10x35 | GB30 – 76 | 4 | GWC – 152.18 |
| 26 | Spring 0.8x10x30 | DIN2098 | 1 | GWC – 152.15 |
| 27 | Bolt M14x1.5 | Q20 – 01 | 3 | GWC – 152.20 |
| 28 | Screw plug M10x15 | GB73 – 76 | 1 | GWC – 152.23 |
| 29 | Washer 22 | Q20 – 03 | 1 | \ |
| 30 | O – ring ∅35×3.1 | GB1235 – 76 | 2 | \ |
| ——END—— | ||||

Note: All Above Data are Just for Reference, All Data Might Change Without Notices or Updates, Please Contact Our Sales Team to Confirm All Details Via WhatsApp or Email.

Engine Sale Manual

Installation Drawing

Installation Manual

Operation Manual

Parts Catalogue


